మీథేన్ సెన్సార్ CH4 సెన్సింగ్ కోసం 1653nm 40mW DFB లేజర్ డయోడ్ సబ్క్యారియర్పై చిప్తో కూడిన ప్లానార్ నిర్మాణాన్ని ఉపయోగిస్తుంది. హై పవర్ చిప్ ఎపాక్సీ-ఫ్రీ మరియు ఫ్లక్స్-ఫ్రీ 14-పిన్ సీతాకోకచిలుక ప్యాకేజీలో హెర్మెటిక్గా సీలు చేయబడింది మరియు అధిక నాణ్యత లేజర్ పనితీరును సురక్షితం చేయడానికి థర్మిస్టర్, థర్మోఎలెక్ట్రిక్ కూలర్ మరియు మానిటర్ డయోడ్తో అమర్చబడి ఉంటుంది. మా లేజర్ ఉత్పత్తులు Telcordia GR-468 అర్హతను కలిగి ఉన్నాయి మరియు RoHS ఆదేశాలకు అనుగుణంగా ఉంటాయి.
మీథేన్ సెన్సార్ CH4 సెన్సింగ్ కోసం 1653nm 40mW DFB లేజర్ డయోడ్ సబ్క్యారియర్పై చిప్తో కూడిన ప్లానార్ నిర్మాణాన్ని ఉపయోగిస్తుంది. హై పవర్ చిప్ ఎపాక్సీ-ఫ్రీ మరియు ఫ్లక్స్-ఫ్రీ 14-పిన్ సీతాకోకచిలుక ప్యాకేజీలో హెర్మెటిక్గా సీలు చేయబడింది మరియు అధిక నాణ్యత లేజర్ పనితీరును సురక్షితం చేయడానికి థర్మిస్టర్, థర్మోఎలెక్ట్రిక్ కూలర్ మరియు మానిటర్ డయోడ్తో అమర్చబడి ఉంటుంది. మా లేజర్ ఉత్పత్తులు Telcordia GR-468 అర్హతను కలిగి ఉన్నాయి మరియు RoHS ఆదేశాలకు అనుగుణంగా ఉంటాయి.
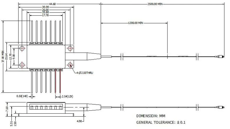
పరిశ్రమ-ప్రామాణిక 14-పిన్ బటర్ఫ్లై ప్యాకేజీ;
అంతర్నిర్మిత TEC మరియు ఆప్టికల్ ఐసోలేటర్;
అధిక-పనితీరు, మల్టీక్వాంటమ్ వెల్ (MQW) పంపిణీ-ఫీడ్బ్యాక్ (DFB) లేజర్.
గ్యాస్ డిటెక్షన్ కోసం నిష్క్రియ భాగాల ఉత్పత్తి పరీక్ష;
ఫైబర్ గ్యాస్ డిటెక్షన్ సిస్టమ్;
లేజర్ మూలాలు.
| పరామితి | చిహ్నం | పరిస్థితి | కనిష్ట | టైప్ చేయండి. | గరిష్టంగా | యూనిట్ |
| కేంద్ర తరంగదైర్ఘ్యం | λc | TL=15~35℃ CW | 1652.7 | 1653.7 | 1654.7 | nm |
| ఆప్టికల్ అవుట్పుట్ పవర్ | పో | CW | - | 40 | - | mW |
| LD థ్రెషోల్డ్ కరెంట్ | ITH | CW | - | 15 | 40 | mA |
| LD ఫార్వర్డ్ కరెంట్ | ఉంటే | Pf = రేటెడ్ పవర్ | - | 300 | 400 | mA |
| ఆప్టికల్ ఐసోలేషన్ | - | -10 < TC < +70℃ | 30 | - | - | dB |
| సైడ్-మోడ్ సప్రెషన్ రేషియో | SMSR | CW | 35 | 40 | - | dB |
| ప్రతిస్పందనను పర్యవేక్షించండి | Im /Pf | - | - | 1 | 20 | uA/mW |
| ప్రతిస్పందన స్థిరత్వాన్ని పర్యవేక్షించండి | - | - | - | - | 20% | - |
| డార్క్ కరెంట్ని పర్యవేక్షించండి | Id | VPD = 5V | - | - | 50 | nA |
| TEC కరెంట్ | ITEC | కేసు =75℃ | - | - | 2 | A |
| TEC వోల్టేజ్ | VTEC | కేసు =75℃ | - | - | 3.5 | V |
| TEC విద్యుత్ వినియోగం | P | Tstg =25℃ | - | - | 5 | W |
| థర్మిస్టర్ రెసిస్టెన్స్ | Rth | కేసు =75℃ | 9.5 | 10 | 10.5 | కోమ్ |
| థర్మిస్టర్ బి స్థిరాంకం | Bth | Tstg =25℃ | - | 3900 | - | K |
| తరంగదైర్ఘ్యం డ్రిఫ్ట్ (EOL) | △λ | 25 సంవత్సరాల జీవితకాలంలో పరీక్షించబడింది | - | - | ± 0.1 | nm |
| అల. ఉష్ణోగ్రత గుణకం | Δλ/ΔT | TEC ఉష్ణోగ్రత 15℃ నుండి 35℃ | - | 0.09 | - | nm/℃ |
| తరంగదైర్ఘ్యం ప్రస్తుత గుణకం | Δλ/ΔΙ | - | - | 0.01 | - | nm/mA |

షిప్పింగ్ చేయడానికి ముందు అన్ని ఉత్పత్తులు పరీక్షించబడ్డాయి;
అన్ని ఉత్పత్తులకు 1-3 సంవత్సరాల వారంటీ ఉంటుంది.(నాణ్యత హామీ వ్యవధి తర్వాత తగిన నిర్వహణ సేవా రుసుమును వసూలు చేయడం ప్రారంభించింది.)
మేము మీ వ్యాపారాన్ని అభినందిస్తున్నాము మరియు తక్షణ 7 రోజుల రిటర్న్ పాలసీని అందిస్తాము. (అంశాలను స్వీకరించిన 7 రోజులు);
మీరు మా స్టోర్ నుండి కొనుగోలు చేసే వస్తువులు ఖచ్చితమైన నాణ్యతను కలిగి ఉండకపోతే, అవి తయారీదారుల స్పెసిఫికేషన్లకు ఎలక్ట్రానిక్గా పని చేయకపోతే, వాటిని భర్తీ చేయడానికి లేదా వాపసు కోసం మాకు తిరిగి ఇవ్వండి;
వస్తువులు లోపభూయిష్టంగా ఉంటే, దయచేసి డెలివరీ అయిన 3 రోజులలోపు మాకు తెలియజేయండి;
రీఫండ్ లేదా రీప్లేస్మెంట్ కోసం అర్హత సాధించడానికి ఏదైనా ఐటెమ్లను వాటి అసలు స్థితిలోనే తిరిగి ఇవ్వాలి;
షిప్పింగ్ ఖర్చులన్నింటికీ కొనుగోలుదారు బాధ్యత వహిస్తాడు.
ప్ర: తరంగదైర్ఘ్యం యొక్క ఖచ్చితత్వం ఏమిటి?
A: +/-0.5nm.
ప్ర: మీకు అవుట్పుట్ పవర్ యొక్క ఇతర వెర్షన్లు ఉన్నాయా?
A: 10mW, 15mW, 50mW.
NH3 సెన్సింగ్ కోసం 1512nm 10mW DFB 14PIN బటర్ఫ్లై లేజర్
తేమ H2O సెన్సింగ్ కోసం 1392nm DFB బటర్ఫ్లై లేజర్ డయోడ్
CH4 గుర్తింపు కోసం 1653nm DFB బటర్ఫ్లై లేజర్ డయోడ్
CO సెన్సింగ్ కోసం 1567nm DFB బటర్ఫ్లై లేజర్ డయోడ్
హైడ్రోజన్ సల్ఫైడ్ గుర్తింపు కోసం 1578nm 10mW DFB లేజర్ డయోడ్
CO2 గుర్తింపు కోసం 1580nm DFB బటర్ఫ్లై లేజర్ డయోడ్కాపీరైట్ @ 2020 Shenzhen Box Optronics Technology Co., Ltd. - చైనా ఫైబర్ ఆప్టిక్ మాడ్యూల్స్, ఫైబర్ కపుల్డ్ లేజర్స్ తయారీదారులు, లేజర్ కాంపోనెంట్స్ సరఫరాదారులు అన్ని హక్కులూ ప్రత్యేకించబడ్డాయి.